图纸审查再升维|AI智能审查「技术说明・表格数据・尺寸标注」
在工业设计领域,处理A1、A2等大尺寸图纸是工程师的日常工作。面对图纸中密集的技术说明、复杂的表格数据与精密的公差标注,人工审查不仅效率低下,还容易因视觉疲劳、经验差异等因素导致疏漏与错误。
如何让AI精准识别并破解这些痛点?金现代IDP(智能文档处理平台)给出了系统解决方案 —— 深度融合计算机视觉(CV)、光学字符识别(OCR)与多模态大模型技术,针对性攻克图纸审查中的三大难题。

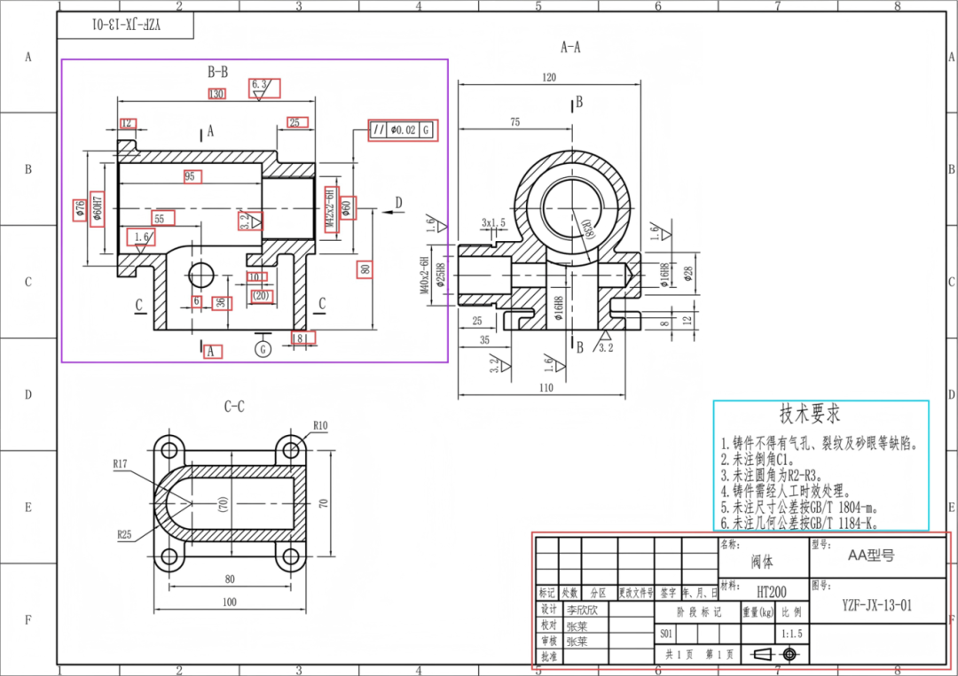
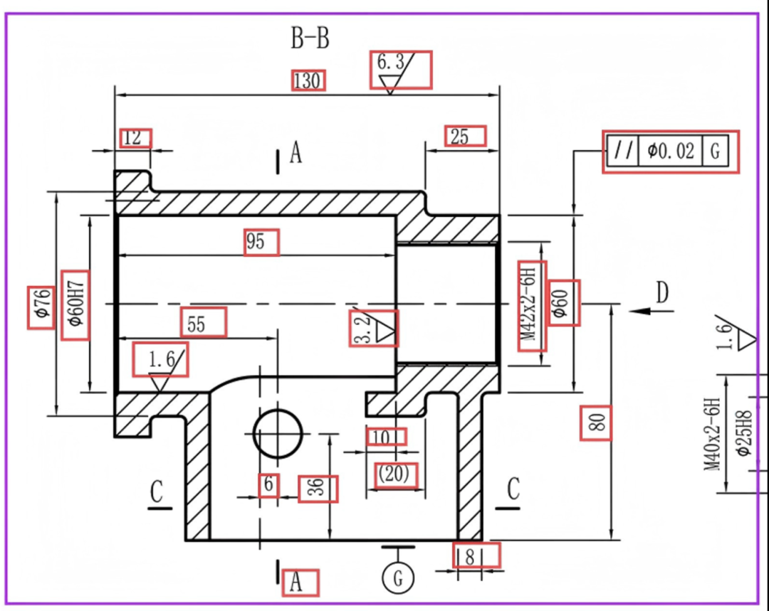
常规设计图纸示意
审文字,实现从“看到”到“读懂”
面对图纸中密集分布的技术说明与注释文本,金现代IDP不仅实现 “看得全”,更达成 “读得懂” 的核心目标:
精准定位:基于CV模型自动检测并框选图中所有文字区域,智能区分 “技术要求”“注释说明” 等不同功能模块,避免信息遗漏。
深度解析:通过专业OCR引擎高精度提取文字内容,结合自然语言处理(NLP)技术,将零散复杂的段落转化为 “材料要求”“表面处理”“执行标准” 等结构化数据,提升信息可用性。
智能校审:将解析结果与内置的规范库、术语库自动比对,精准标识不合规引用、缺失条款或逻辑矛盾,从源头筑牢文档质量防线。

图纸技术要求示意
审表格,保障数据准确严谨
图纸中的表格结构复杂、信息密集,金现代IDP实现 “识别 — 提取 — 校验” 全流程自动化处理。
表格识别:精准探测表格区域,清晰识别表头与行列结构,同时支持合并单元格、跨页表格等复杂形式的完整识别。
内容提取:通过高精度OCR技术识别每个单元格内容,输出结构化数据。
关联审查与逻辑校验:系统支持理解数据间的内在关联,执行预设规则,自动校验 “序号连续性”“型号与规格一致性” 等项目规则,实时标记异常数据,确保表格逻辑严谨、数据准确。

图纸表格示意
审图注,确保公差尺寸准确合规
公差与尺寸标注是图纸的核心信息,其审查质量高度依赖工程师的专业经验与专注度。金现代IDP将行业专家经验沉淀为标准化AI能力,实现审查流程的智能化升级:
元素解构:自动识别图中的尺寸线、公差代号(如 Ø、±)、基准符号等各类图形标注元素,确保核心信息无遗漏。
关联理解:基于多模态模型建立标注与图形特征的语义关联,精准解读 “Ø25H7” 对应的具体孔位、“平面度 0.1” 所约束的对应平面等专业信息,实现从 “识别” 到 “理解” 的跨越。
合规与合理审查:一方面审查标注是否符合GD&T标准或机械制图规范;另一方面基于规则库开展逻辑审查,涵盖尺寸链闭合性、公差值合理性、基准一致性等关键维度,有效规避加工误差与成本浪费。

图纸图注示意

金现代IDP支持多场景文档智能审查
金现代IDP目前已在能源电力、石化、建筑、汽车制造等行业落地应用,帮助企业构建规范统一、审查精准、输出可靠的图纸质量体系,为项目顺利交付与产品高效投产提供坚实保障。